◆ مدل: ytx100b ytx150b
◆ موارد استفاده: این سری از سازها به طور خاص در محیط اطراف رسانه های قابل احتراق و خطر مخلوط مواد منفجره از مکان ها استفاده می شود ، اندازه گیری فشار مایعات و گازها ، با دستگاه های الکتریکی مربوطه ، می توانند به هشدار یا کنترل اتوماتیک و سایر کارکردها دست یابند.
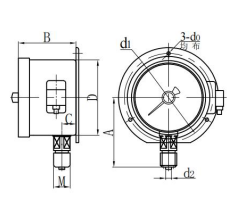
این ابزار یک تماس الکتریکی مغناطیسی را اتخاذ می کند ، که ویژگی های نیروی مکش بزرگ و تماس قابل اعتماد را دارد.
این ساز مطابق با الزامات در GB 3836.1-2010 "جوهای انفجاری - بخشی 1 : الزامات عمومی تجهیزات "و GB3836.2-2010 "جوهای انفجاری - بخشی 2 : تجهیزات محافظت شده توسط محفظه های ضد شعله " د "
















