◆ مدل: YLM60 YLM100 YLM150
◆ کاربرد: این سری از سازها ابزارهای ویژه ای برای تشخیص دمای پایین یا رسانه خاص مبرد هستند که عمدتاً در یخچال تهویه هوا ، چیلر آب ، خشک کن هوا یا سیستم گروهی مونتاژ مونتاژ استفاده می شود.
همچنین می تواند با توجه به نیاز مشتریان ، پنل های مختلف چند برچسب مبرد مختلف را ایجاد کند و انواع مختلفی از کلاه ها و موارد (سبک سوئیسی) برای انتخاب مشتریان وجود دارد.
با توجه به طراحی کانکتور بهینه شده و ملاحظات ویژه در انتخاب مواد جوشکاری و اجزای سنجش فشار ، این سری از محصولات دارای ویژگی های عالی پالس ضد نشت ، ضد فشار و ضد لرزش است ، بنابراین کیفیت ساز بسیار بهبود یافته است ، و نقص و از دست دادن سیستم تفکیک به دلیل مشکلات کیفیت محصول از بین می رود.
◆ پارامترهای فنی :
| شماره مدل | YLM60 | YLM100 | YLM150 | |
| قطر اسمی | φ 60 | φ 100 | φ 150 | |
| نوع نصب | ⅰ | * | * | * |
| ⅱ | * | * | * | |
| ⅲ | * | / | / | |
| ⅳ | * | * | * | |
| ⅴ | * | / | / | |
| ⅵ | * | * | * | |
| موضوع اتصال | M14 × 1.5 | m20 × 1.5 | ||
| کلاس دقت | 2.5 | 1.6 | ||
| دامنه اندازه گیری ( MPA ) | ولتاژ کم : ( 30 ~ 0 …… 15 ) کلوت … 1.8 مگاپیکال مظلوم 0 ~ 35 ) کلوت … 3.8 مگاپیکال | |||
| مشخصات نوع رسانه | R134a 、 R22a 、 R404a 、 R407a | |||
| شرایط محیطی استفاده | دما -20 ℃~ 60 ℃; رطوبت نسبی رده 80 ٪ | |||
| امتیاز ارتعاش | حرفهای · سخنرانی · 3 | |||
| طبقه حفاظت | IP54 | |||
| استانداردهای اجرا | GB/T 1226 | |||
| توجه: 1. موضوعات مشترک را می توان مطابق با نیاز کاربر سفارشی کرد. $ $ | ||||
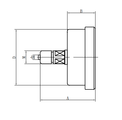
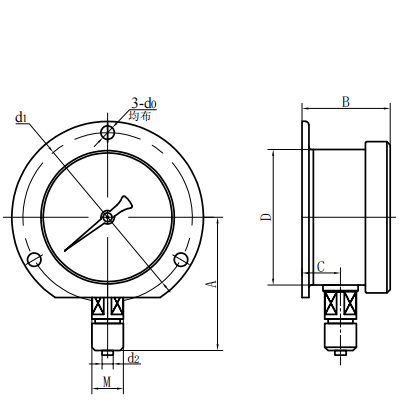
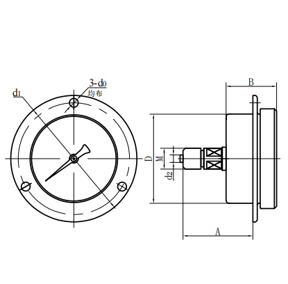
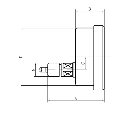
◆ ابعاد خارجی:
| نوع مستقیم شعاعی (ⅰ) | نوع مستقیم محوری (ⅱ) |
| نوع مستقیم متمرکز محوری (III) | نوع درج محور محوری (IV) |
| نوع درج متمرکز محوری (V) | نوع محدب شعاعی (vi) $ $ |
| شماره مدل | ابعاد کلی ( مگنی ) | |||||||
| بوها | شرح | جف | د | D0 | D1 | D2 | مگس | |
| YLM60 -ⅰ | 56 | 33 | 11 | φ 60 | / | / | φ 5 | M14 × $ $ 1.5 |
| YLM60 -ⅱ | 61 | 32.5 | 18 | φ 60 | / | / | | |
| YLM60 -ⅲ | 61 | 32.5 | / | φ 60 | / | / | φ 5 | M14 × 1.5 |
| YLM60 -ⅳ | 55 | 32.5 | 18 | φ 60 | φ 5 | φ 75 | | |
| YLM60 -ⅴ | 55 | 32.5 | / | φ 60 | φ 5 | φ 75 | φ 5 | M14 × 1.5 |
| YLM60 -ⅵ | 56 | 33 | 11 | φ 60 | φ 5 | φ 75 | φ 5 | M14 × 1.5 |
| YLM100 -ⅰ | 90 | 48 | 15 | φ 100 | / | / | φ 6 | m20 × 1.5 |
| YLM100 -ⅱ | 83 | 44 | 34 | φ 100 | / | / | φ 6 | m20 × 1.5 |
| YLM100 -ⅳ | 68 | 44 | 34 | φ 100 | φ 6 | φ 118 | φ 6 | m20 × 1.5 |
| YLM100 -ⅵ | 90 | 48 | 15 | φ 100 | φ 6 | φ 118 | φ 6 | m20 × 1.5 |
| YLM150 -ⅰ | 117 | 51 | 16.5 | φ 150 | / | / | φ 6 | m20 × 1.5 |
| YLM150 -ⅱ | 92 | 52 | 55 | φ 150 | / | / | φ 6 | m20 × 1.5 |
| YLM150 -ⅳ | 69 | 52 | 55 | φ 150 | φ 6 | φ 165 | φ 6 | m20 × 1.5 |
| YLM150 -ⅵ | 117 | 53 | 28 | φ 150 | φ 6 | φ 165 | φ 6 | m20 × 1.5 |


















