◆ مدل: YQ40 YQ50 YQ60 YQ75 YQ100 YQ150
◆ استفاده: این سری از سنجها همه از فولاد ضد زنگ ساخته شده اند ، با پارتیشن ایمنی داخلی و سوراخ های تسکین فشار در بالا برای آزاد کردن فشار بیش از حد در داخل کیس به دلیل پارگی ناشی از اضافه بار یا خستگی عناصر الاستیک ، برای محافظت از ایمنی اپراتورها و تجهیزات و امکانات وجود دارد ، و یک کاشت مایع پر از مایع وجود دارد و می تواند یک دیافراگم ایجاد کننده سادگی داخلی را در بالا به دست آورد. سنجهای ایمنی پر از مایع مقاوم در برابر لرزش هستند و از آسیب به داخل سنج به دلیل لرزش جلوگیری می کنند و روغن کاری اجزای داخلی برای به حداقل رساندن سایش و خوردگی.
این سنجها به طور گسترده در حفاری ، پالایش ، شیمیایی ، مواد غذایی ، دارویی ، دریایی ، سیستم عامل های نفتی دریایی و سایر صنایع مورد استفاده قرار می گیرند. $ $
| شماره مدل | YQ60 | YQ100 | YQ150 | |
| قطر اسمی | φ 60 | φ 100 | φ 150 | |
| فرم نصب | ⅰ | * | * | * |
| ⅱ | * | * | * | |
| ⅲ | * | / | / | |
| ⅳ | * | * | * | |
| ⅴ | * | / | / | |
| ⅵ | * | * | * | |
| موضوع اتصال | M14 × 1.5 | m20 × 1.5 | ||
| کلاس دقت | 2.5 | 1.6 | ||
| دامنه اندازه گیری ( MPA ) | خالی -0.1 ~ 0 خلاء فشار -0.1 ~ 0.06 -0.1 ~ 0.15 -0.1 ~ 0.3 -0.1 ~ 0.5 -0.1 ~ 0.9 -0.1 ~ 1.5 -0.1 ~ 2.4 فشار 0 ~ 0.1 0 ~ 0.16 0 ~ 0.25 0 ~ 0.4 0 ~ 0.6 0 ~ 1 0 ~ 1.6 0 ~ 2.5 0 ~ 4 0 ~ 6 0 ~ 10 0 ~ 16 0 ~ 25 0 ~ 40 0 ~ 60 0 ~ 100 0 ~ 160 0 ~ 250 | |||
| شرایط محیطی استفاده | دما -40 ℃~ 70 ℃ | |||
| امتیاز ارتعاش | حرفهای · سخنرانی · 3 | |||
| ماده لوله بوردن | OCR18ni12mo2ti ; SUS316 ; SUS316L | |||
| مواد و مواد اتصال دهنده | 1cr18ni9ti ; SUS304 | |||
| طبقه حفاظت | IP65 | |||
| استانداردهای اجرا | GB/T1226 | |||
| توجه: 1. موضوعات مشترک را می توان مطابق با نیاز کاربر سفارشی کرد. $ $ | ||||
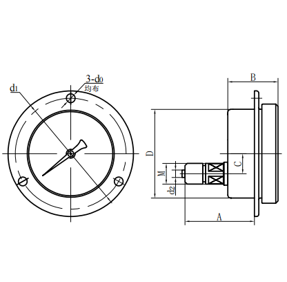
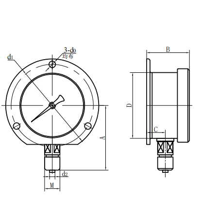
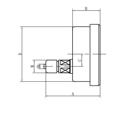
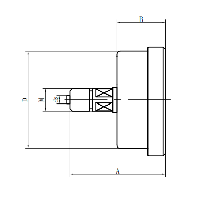
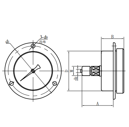
◆ ابعاد خارجی:
| نوع مستقیم شعاعی (ⅰ) | نوع مستقیم محوری (ⅱ) |
| نوع مستقیم متمرکز محوری (III) | نوع درج محور محوری (IV) |
| نوع درج متمرکز محوری (V) | نوع محدب شعاعی (vi) $ $ |
| شماره مدل | ابعاد کلی مگنی ) | |||||||
| بوها | شرح | جف | د | D0 | D1 | D2 | مگس | |
| yq60- ⅰ | 56 | 33 | 11 | φ 60 | / | / | φ 5 | M14 × $ $ 1.5 |
| yq60- ⅱ | 61 | 32.5 | 18 | φ 60 | / | / | φ 5 | |
| yq60- ⅲ | 61 | 32.5 | / | φ 60 | / | / | φ 5 | M14 × 1.5 |
| yq60- ⅳ | 55 | 32.5 | 18 | φ 60 | φ 5 | φ 75 | φ 5 | |
| yq60- ⅴ | 55 | 32.5 | / | φ 60 | φ 5 | φ 75 | φ 5 | M14 × 1.5 |
| yq60- ⅵ | 56 | 33 | 11 | φ 60 | φ 5 | φ 75 | φ 5 | M14 × 1.5 |
| yq100- ⅰ | 90 | 48 | 15 | φ 100 | / | / | φ 6 | m20 × 1.5 |
| yq100- ⅱ | 83 | 44 | 34 | φ 100 | / | / | φ 6 | m20 × 1.5 |
| yq100- ⅳ | 68 | 44 | 34 | φ 100 | φ 6 | φ 118 | φ 6 | m20 × 1.5 |
| yq100- ⅵ | 90 | 48 | 15 | φ 100 | φ 6 | φ 118 | φ 6 | m20 × 1.5 |
| yq150- ⅰ | 117 | 51 | 16.5 | φ 150 | / | / | φ 6 | m20 × 1.5 |
| yq150- ⅱ | 92 | 52 | 55 | φ 150 | / | / | φ 6 | m20 × 1.5 |
| yq150- ⅳ | 69 | 52 | 55 | φ 150 | φ 6 | φ 165 | φ 6 | m20 × 1.5 |
| yq150- ⅵ | 117 | 53 | 28 | φ 150 | φ 6 | φ 165 | φ 6 | m20 × 1.5 |


















