◆ مدل: YC40 YC50 YC60 YC75 YC100 YC150
◆ استفاده: این سری از سازها برای اندازه گیری فشار مایع ، گاز ، بخار و سایر محیط های سیال بدون خطر انفجار ، تبلور یا جامد سازی در کشتی ها و تجهیزات مرتبط مناسب هستند.
این سری از سازها از نوع درخشان برخوردار هستند ، در مقیاس اصلی شماره گیری و قسمت جلوی نشانگر با ماده درخشان دائمی فعال یا منفعل پوشانده شده است ، بنابراین مقدار فشار را می توان به وضوح در تاریکی خوانده کرد.
پوسته این سری از سازها کاملاً مهر و موم شده و مقاومت خاصی در برابر خوردگی آب دریا دارد ، بنابراین اجزای داخلی ساز را از آسیب و خوردگی توسط امواج و آب دریا محافظت می کند.
این سری از سازها همچنین می تواند با روغن میرایی کم ویسکوزیته در پوسته پر شود و توانایی مقاومت در برابر لرزش محیط کار ناشی از هوای بد در دریا و پالس فشار متوسط را دارد.
این سری از سازها عمدتاً در حمل و نقل دریایی ، مزارع نفت و گاز دریایی ، سکوهای حفاری دریایی ، معدن بستر دریا ، ناوبری داخلی و سایر صنایع استفاده می شود. $ $
◆ پارامترهای فنی :
| شماره مدل | YLM60 | YLM100 | YLM150 | |
| قطر اسمی | φ 60 | φ 100 | φ 150 | |
| نوع نصب | ⅰ | * | * | * |
| ⅱ | * | * | * | |
| ⅲ | * | / | / | |
| ⅳ | * | * | * | |
| ⅴ | * | / | / | |
| ⅵ | * | * | * | |
| موضوع اتصال | M14 × 1.5 | m20 × 1.5 | ||
| کلاس دقت | 2.5 | 1.6 | ||
| دامنه اندازه گیری ( MPA ) | خالی -0.1 ~ 0 خلاء فشار -0.1 ~ 0.06 -0.1 ~ 0.15 -0.1 ~ 0.3 -0.1 ~ 0.5 -0.1 ~ 0.9 -0.1 ~ 1.5 -0.1 ~ 2.4 فشار 0 ~ 0.1 0 ~ 0.16 0 ~ 0.25 0 ~ 0.4 0 ~ 0.6 0 ~ 1 0 ~ 1.6 0 ~ 2.5 0 ~ 4 0 ~ 6 0 ~ 10 0 ~ 16 0 ~ 25 0 ~ 40 0 ~ 60 0 ~ 100 、 0 ~ 160 、 0 ~ 250 |
| شرایط محیطی استفاده | دما -40 ℃~ 70 ℃ |
| امتیاز ارتعاش | نوع عادی حرفهای · سخنرانی · 3 ; نوع لرزه ای (نوع پر از مایع) حرفهای · سخنرانی · 4 |
| ماده لوله بوردن | QSN4-0.3 、 OCR18ni12mo2ti |
| مواد و مواد اتصال دهنده | 1cr18ni9ti ; SUS304 |
| طبقه حفاظت | IP65 |
| استانداردهای اجرا | GB/T 1226 ; JB/T 6804 |
| توجه: 1. موضوعات مشترک را می توان مطابق با نیاز کاربر سفارشی کرد. $ $ | |
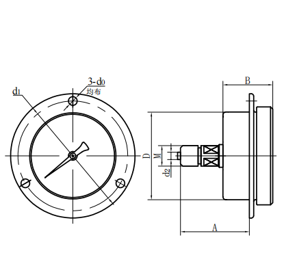
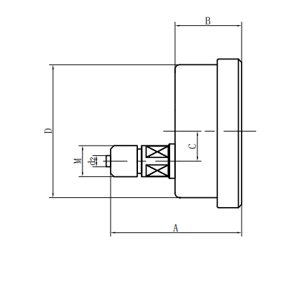
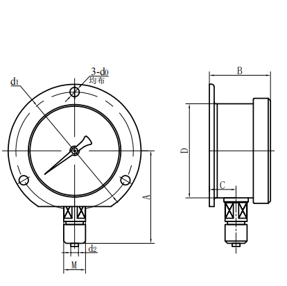
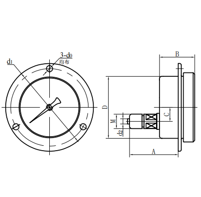
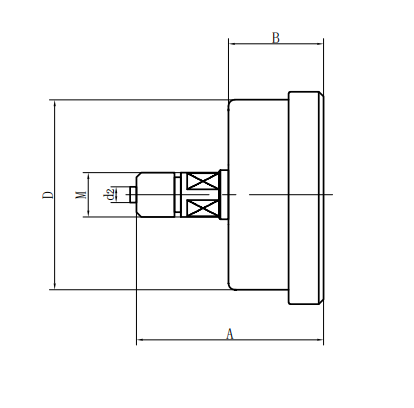
◆ ابعاد خارجی:
| نوع مستقیم شعاعی (ⅰ) | نوع مستقیم محوری (ⅱ) |
| نوع مستقیم متمرکز محوری (III) | نوع درج محور محوری (IV) |
| نوع درج متمرکز محوری (V) | نوع محدب شعاعی (vi) $ $ |
| شماره مدل | ابعاد کلی (میلی متر) | |||||||
| بوها | شرح | جف | د | D0 | D1 | D2 | مگس | |
| yc60- ⅰ | 56 | 33 | 11 | φ 60 | / | / | φ 5 | M14 × $ $ 1.5 |
| yc60- ⅱ | 61 | 32.5 | 18 | φ 60 | / | / | φ 5 | |
| yc60- ⅲ | 61 | 32.5 | / | φ 60 | / | / | φ 5 | M14 × 1.5 |
| yc60- ⅳ | 55 | 32.5 | 18 | φ 60 | φ 5 | φ 75 | φ 5 | |
| yc60- ⅴ | 55 | 32.5 | / | φ 60 | φ 5 | φ 75 | φ 5 | M14 × 1.5 |
| yc60- ⅵ | 56 | 33 | 11 | φ 60 | φ 5 | φ 75 | φ 5 | M14 × 1.5 |
| yc100- ⅰ | 90 | 48 | 15 | φ 100 | / | / | φ 6 | m20 × 1.5 |
| yc100- ⅱ | 83 | 44 | 34 | φ 100 | / | / | φ 6 | m20 × 1.5 |
| yc100- ⅳ | 68 | 44 | 34 | φ 100 | φ 6 | φ 118 | φ 6 | m20 × 1.5 |
| yc100- ⅵ | 90 | 48 | 15 | φ 100 | φ 6 | φ 118 | φ 6 | m20 × 1.5 |
| yc150- ⅰ | 117 | 51 | 16.5 | φ 150 | / | / | φ 6 | m20 × 1.5 |
| yc150- ⅱ | 92 | 52 | 55 | φ 150 | / | / | φ 6 | m20 × 1.5 |
| yc150- ⅳ | 69 | 52 | 55 | φ 150 | φ 6 | φ 165 | φ 6 | m20 × 1.5 |
| yc150- ⅵ | 117 | 53 | 28 | φ 150 | φ 6 | φ 165 | φ 6 | m20 × 1.5 |


















