◆ مدل: YJ150 YJ150A
◆ استفاده: این سری از ابزارها عمدتاً برای کالیبراسیون سنجهای فشار عادی صنعتی یا مدنی استفاده می شود. همچنین می توان از آن برای اندازه گیری دقیق فشار رسانه های غیر خورنده ، غیر کریستالی و غیر تثبیت کننده مانند آلیاژ مس و فولاد ساختاری آلیاژ در محل فرآیند استفاده کرد.
این سری از ابزارهای موجود در خط مقیاس تحت تنظیم حلقه آینه ، در حال استفاده می تواند خطای خواندن را به حداقل برساند. یک نوع با دستگاه صفر ، در فرآیند استفاده ، اگر متوجه شدید که اشاره گر به صفر باز نمی گردد ، در صورت عدم وجود فشار رسانه ای می تواند یک اشاره گر تنظیم شده باشد ، به طوری که به صفر باز می گردد تا خطای را کاهش دهد.
◆ پارامترهای فنی :
| شماره مدل | YJ150 | YJ150a | |
| قطر اسمی | φ 150 | ||
| فرم نصب | ⅰ | * | * |
| ⅳ | * | * | |
| موضوع اتصال | m20 × 1.5 | ||
| کلاس دقت | 0.4 | ||
| دامنه اندازه گیری ( MPA ) | خالی -0.1 ~ 0 خلاء فشار -0.1 ~ 0.06 -0.1 ~ 0.15 -0.1 ~ 0.3 -0.1 ~ 0.5 -0.1 ~ 0.9 -0.1 ~ 1.5 -0.1 ~ 2.4 فشار 0 ~ 0.1 0 ~ 0.16 0 ~ 0.25 0 ~ 0.4 0 ~ 0.6 0 ~ 1 0 ~ 1.6 0 ~ 2.5 0 ~ 4 0 ~ 6 0 ~ 10 0 ~ 16 0 ~ 25 0 ~ 40 0 ~ 60 0 ~ 100 | ||
| شرایط محیطی استفاده | دما 20 ℃ 3 ℃ | ||
| امتیاز ارتعاش | حرفهای · سخنرانی · 2 | ||
| طبقه حفاظت | IP54 | ||
| استانداردهای اجرا | GB/T 1227 | ||
| توجه: 1. موضوعات مشترک را می توان مطابق با نیاز کاربر سفارشی کرد. $ $ | |||
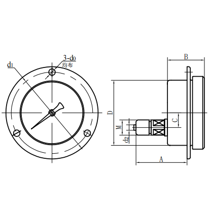
◆ ابعاد خارجی:
| نوع مستقیم شعاعی (ⅰ) | نوع مستقیم محوری (ⅱ) $ $ $ |
| شماره مدل | ابعاد کلی مگنی ) | |||||||
| بوها | شرح | جف | د | D0 | D1 | D2 | مگس | |
| YJ150- ⅰ yj150a- ⅰ | 113 | 51 | 21 | φ 150 | / | / | φ 6 | m20 × $ $ 1.5 |
| YJ150- ⅳ yj150a- ⅳ | 79 | 51 | 55 | φ 150 | φ 6 | φ 165 | φ 6 | m20 × 1.5 |


















