◆ مدل: y¨-ml y¨-mf y¨-mg y¨-mz y¨-mk y¨-mn y¨-ms
◆ کاربرد: با توجه به ساختار اندازه گیری غیرمستقیم ، سنج فشار دیافراگم برای اندازه گیری فشار مایعات ، گازها یا مواد جامد جریان دانه ای با ویسکوزیته بالا ، آسان برای تبلور ، خوردگی قوی و درجه حرارت بالا مناسب است. دیافراگم جداسازی مواد مختلفی برای سازگاری با انواع رسانه های خورنده مختلف دارد.
این ابزارها عمدتاً در فیبر شیمیایی ، فیبر مصنوعی ، نفت ، رنگ آمیزی ، قلیایی ، اسید ، مواد غذایی ، دارو ، ساخت و ساز ، معدن ، ذوب و سایر صنایع مورد استفاده قرار می گیرند.
سر سنج از این نوع سازها می تواند در سری های مختلفی مورد استفاده قرار گیرد: سنج فشار عمومی ، فشار فشار مقاوم در برابر شوک ، انواع سنج فشار تماس الکتریکی ، انواع سنج فشار تماس الکتریکی مقاوم در برابر شوک ، فرستنده فشار ، سنج فشار از راه دور ، سنج فشار دیجیتال ، کنترل فشار و غیره.
princip اصل ساختار:
این ابزار اندازه گیری غیرمستقیم است. تغییر شکل دیافراگم جداسازی تحت فشار محیط اندازه گیری شده ، مایع آب بندی تحت فشار قرار می گیرد و فشار به فشار منتقل می شود.
مایع آب بندی تحت فشار قرار می گیرد و فشار به ابزار تشخیص انجام می شود ، که مقدار فشار متوسط اندازه گیری شده را نشان می دهد. $ $
◆ پارامترهای فنی :
| مدل سر سنج | انواع مختلفی از ابزارهای فشار ، فرستنده فشار ، کنترل کننده فشار و غیره | |||
| کلاس دقت | 1.6 ; 2.5 | |||
| کلاس دقت ( MPA ) | 0 ~ 0.1 0 ~ 0.16 0 ~ 0.25 0 ~ 0.4 0 ~ 0.6 0 ~ 1 0 ~ 1.6 0 ~ 2.5 0 ~ 4 0 ~ 6 0 ~ 10 0 ~ 16 0 ~ 25 0 ~ 40 | |||
| مواد دیافراگم | نام مستعار | مادی | نام مستعار | مادی |
| 1 | 0cr18ni12mo2 | 5 | Hastelloy C (H276C) | |
| 2 | SUS304 | 6 | آلیاژ مونل (CU30NI70) | |
| 3 | SUS316 | 7 | Tantalum (TA) | |
| 4 | SUS316L | 8 | فلوروپلاستیک (PTFE) | |
| انسول کننده | 1CR18NI9 ؛ 304 ؛ 316 ؛ 316L ؛ F4 ؛ پی وی سی و غیره | |||
| مهر و موم مواد واشر | NBR ؛ لاستیک سیلیکون پزشکی ؛ PTFE ؛ گرافیت ؛ فلورولاستومر ؛ و غیره | |||
| پر کردن مایعات هدایت | روغن متیل سیلیکون ، روغن نباتی ، گلیسیرین ، روغن فلوئور شده و غیره | |||
| اثر دما | از آنجا که انبساط حرارتی مایع رسانا و استحکام دیافراگم مربوط به دما است ، مقدار خطا 0.1 ٪ در درجه سانتیگراد است که دمای کار از 5 20 20 درجه سانتیگراد منحرف می شود. | |||
| محافظت در برابر خوردگی | این عملکرد شامل ویژگی های خوردگی محیط و محیط اندازه گیری است و مواد جداکننده ، ورق دیافراگم و واشر آب بندی را می توان با توجه به شرایط استفاده انتخاب کرد. | |||
| تفاوت سطح | دستگاه فشار دیافراگم متصل به شیلنگ در نصب اگر نقطه اندازه گیری و فشار فشار در ارتفاعات مختلف باشد ، اختلاف سطح مایع آن که توسط اختلاف فشار ایجاد می شود △ P بر مقدار اندازه گیری شده ابزار تأثیر می گذارد ، فرمول: △ P = وزن مخصوص مایع مهر و موم شده مایع اختلاف سطح مایع است. | |||
| استانداردهای اجرا | JB/T 8624 | |||
| توجه: 1 ، موضوع اتصال با توجه به نیاز کاربر قابل تنظیم است. 2 、 اتصال فلنج را می توان مطابق با استاندارد فلنج مورد نیاز کاربر تنظیم کرد. $ $ | ||||
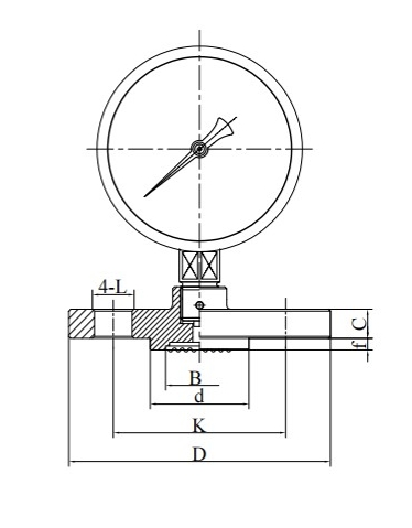
size نوع جداکننده اندازه و شماتیک نصب:
| (ML) رابط موضوع | (MF) فلنج صورت باز $ $ |
























