◆ مدل: yn40 yn50 yn60 yn75 yn100 yn150
◆ استفاده: این سری از سازها از مقاومت در برابر شوک خوبی برخوردار هستند ، به خصوص برای مکانهایی که دارای لرزش قوی ماشین آلات محیطی هستند ، و می توانند در برابر پالس خشونت آمیز ، شوک و بارگیری ناگهانی فشار متوسط مقاومت کنند. برای اندازه گیری فشار مایع ، گاز یا بخار که هیچ خطر انفجار ندارد ، مناسب است ، متبلور نمی شود ، جامد نمی شود و هیچ تأثیر فاسد بر آلیاژ مس و مس ندارد. ابزار حاکی از قرائت های پایدار و واضح است. این دستگاه به طور گسترده در ماشین آلات سنگین ، معدن ، نفت ، صنعت شیمیایی ، متالورژی ، انرژی برقی و سایر بخش ها استفاده می شود.
◆ در کاربردهای عملی ، با توجه به ویژگی های خاص رسانه های مختلف (مانند ممنوعیت روغن ، ضد آتش ، مقاوم در برابر خوردگی و غیره) ، الزامات این ساز متفاوت است ، بنابراین این سری ابزارها بسیاری از ابزارهای ویژه مربوطه ، قطر اسمی آنها ، نوع نصب ، موضوع اتصال ، سطح صحت ، اندازه گیری دامنه و غیره را به دست می آورند.
2.1 مناسب برای اندازه گیری فشار رسانه های قابل اشتعال و انفجاری. تماس با مواد قابل اشتعال چرب کاملاً ممنوع است. قبل از ترک کارخانه ، درمان تخریب انجام می شود و آزمایش می شود که عاری از گریس باشد.
2.1.1 سری Yon مقاوم در برابر شوک (لرزه ای) فشار اکسیژن فشار اکسیژن
2.1.2 سری YHN مقاوم در برابر شوک (لرزه ای) فشار فشار هیدروژن
2.1.3 سری Yyn از فشار فشار استیلن مقاوم در برابر شوک (شوک)
2.2 مواد مورد استفاده در برابر خوردگی محیط مقاوم هستند یا ابزار هیچ تاثیری در محیط ندارد و برای اطمینان از این که عناصر و رابط های تشخیص تمیز و عاری از گریس هستند.
2.2.1 سری یان از فشار آمونیاک مقاوم در برابر شوک (شوک)
2.2.2 سری YDQN از فشار فشار نیتروژن مقاوم در برابر شوک (شوک)
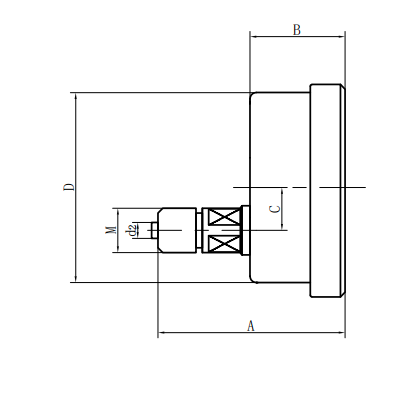
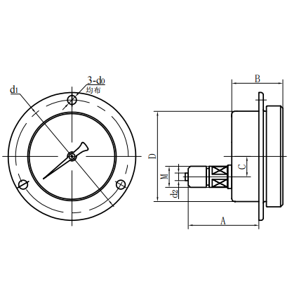
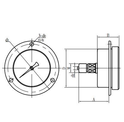
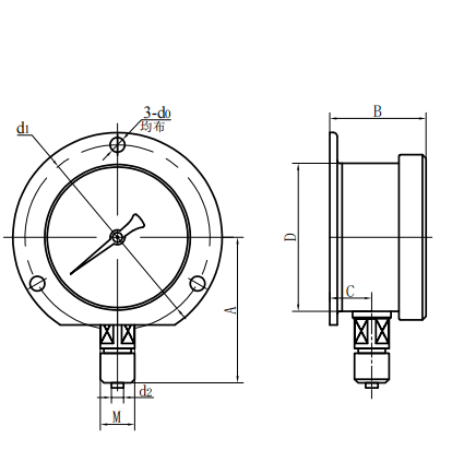
سنج فشار ضد شوک سری YN
مدل: 40mm (1.5 ") ، 50mm (2") ، 60mm (2.5 ") ، 100mm (4") ، 150mm (6 ")
مقدمه:
سری ابزارها از مقاومت در برابر شوک عالی ، نشانه پایدار ، قرائت روشن برخوردار هستند و به ویژه برای استفاده در مکانهایی با ارتعاشات مکانیکی شدید مناسب هستند. آنها همچنین می توانند در برابر پالس های شدید ، اثرات و کاهش ناگهانی بار در محیط مقاومت کنند. این مکانیسم جذب شوک و طراحی پر از مایع (به طور معمول گلیسیرین و روغن سیلیکون) این سنج فشار را قادر می سازد تا حتی در شرایط پیچیده و جانبی ، اندازه گیری فشار قابل اعتماد و دقیق را نیز از آن اطمینان دهد. با توجه به خاصیت خاصیت ارتجاعی و دقت ، در صنایع مختلف مورد استفاده قرار می گیرد. $ $



















































































































