◆ مدل: YZS102
◆ مدل: YZS102
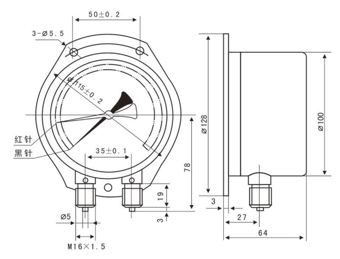
parameters پارامترهای فنی:
| مدل | YZS102 |
| قطر اسمی | φ 100 |
| موضوعات متناسب | m20 × 1.5 ; G3/8 |
| کلاس دقت | 1.6 |
| دامنه اندازه گیری ( kpa ) | 0 ~ 1000 0 ~ 1200 0 ~ 1600 0 ~ 2500 |
| شرایط محیطی استفاده | دما: -5 ° C 60 درجه سانتیگراد رطوبت نسبی: بیشتر از 80 ٪ |
| اثرات دما | (انحراف از 20 ° C 5 ° C هنگام استفاده) بیشتر از آن نیست 0.4 ٪/10 درجه سانتیگراد |
| وزن | 0.7 کیلوگرم |
| مقاومت در برابر ارتعاش | حرفهای · سخنرانی · 3 |
| حفاظت درگیری | IP54 |
| استاندارد را اجرا کنید | GB/T1226 |
| توجه: 1 بشر موضوع مشترک را می توان با توجه به نیاز کاربر سفارشی کرد. $ $ | |
◆ ابعاد بیرونی: $ $
شرکت ابزار دقیق Wuxi Huihua ، آموزشی ویبولیتین was established in December 2001, the registered capital is 5 million yuan, the existing staff of more than 50 small and medium-sized joint-stock enterprises.
این شرکت در تولید انواع مختلف ابزارهای ویژه ، جایگزین محلی سازی ابزارهای وارداتی تخصص دارد. به فشار فشار لرزه ای ، سنج فشار تماس الکتریکی لرزه ای ، سنج فشار فولادی ضد زنگ ، سنج فشار مقاوم در برابر خوردگی دیافراگم ، سنج فشار دریایی و سایر سری ها به عنوان محصولات اصلی. بر اساس ابزارهای میدانی ، ما انواع مختلفی از فرستنده فشار ، کنترل کننده های فشار ، فشار دیجیتال و غیره را توسعه داده ایم. بیش از 30 مشخصات سری و 3000 وجود دارد. محصولات عرضه به طور گسترده ای در نفتی ، شیمیایی ، کاغذ ، متالورژی ، معدن ، فیبر شیمیایی ، انرژی الکتریکی ، مواد غذایی ، حفاظت از محیط زیست ، لاستیک و پلاستیک ، هیدرولیک و بسیاری از صنایع دیگر مورد استفاده قرار می گیرند و بیش از 2000 مشتری داخلی برای برقراری یک رابطه دوستانه با شرکت های بزرگ بزرگ و متوسط برای ایجاد یک مشارکت خوب ، به دست آورد ، عمده ستایش کاربران را ستایش می کند ، و تصویر برند برند.
به عنوان سری YZS سری دو سوزن فشار دو لوله Manufacturers، فرآیندهای کنترل کیفیت دقیق در سراسر سیستم تولید وجود دارد تا از تولید کیفیت مداوم اطمینان حاصل شود.
گیج های فشار یکی از اساسی ترین ابزارها در هر محیط صنعتی، مکانیکی یا فرآیندی هستند. آنها اندازه گیری لحظه ای فشار مایع یا گاز را ارائه می دهند و اپراتورها را قادر می سازند تا عملکرد سیستم را نظارت کنند، از آسیب تجهیزات......
بیشتر بخوانیدآشنایی با اصول گیج فشار گیج های فشار ابزارهای ضروری هستند که در صنایع بی شماری برای اندازه گیری و نمایش فشار گازها یا مایعات در یک سیستم استفاده می شوند. این دستگاه ها عملکردهای حیاتی در نظارت بر عملکرد سیستم......
بیشتر بخوانیدترانسمیترهای فشار دیفرانسیل به عنوان ابزار ضروری در سیستمهای کنترل، اندازهگیری و نظارت فرآیندهای صنعتی مدرن هستند. این دستگاهها اختلاف فشار بین دو نقطه در یک سیستم را اندازهگیری میکنند و این اندازهگیری را به یک ......
بیشتر بخوانید