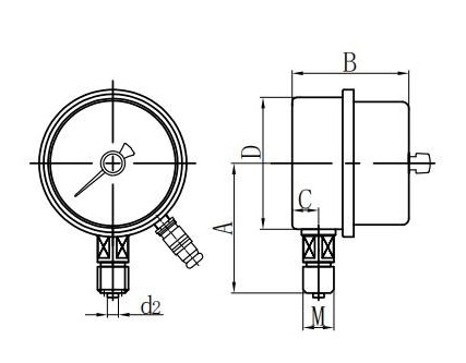
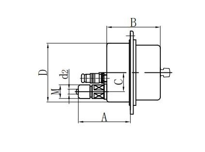
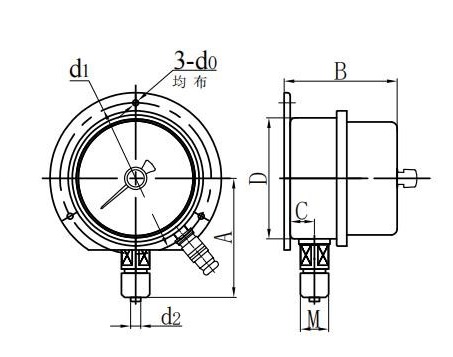
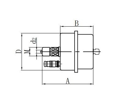
◆ مدل: yxc60 YX100 YXC-150
◆ کاربرد: این نوع ابزار برای اندازه گیری فشار مایعات ، گازها یا بخارات بدون خطر انفجار ، بدون تبلور ، عدم استحکام و تأثیر خورنده بر آلیاژهای مس و مس مناسب است. هنگامی که مجهز به یک مدار مناسب است ، می تواند زنگ هشدار یا کنترل خودکار را به سیستم فشار ارسال کند تا اندازه گیری و کنترل شود.
◆ اگر لازم است یک فشار فشار از نوع ضد شوک ایجاد شود ، می توان آن را با روغن گلیسیرین یا سیلیکون پر کرد. $ $


















