◆ پارامترهای فنی:
| مدل | cybn100 | cybn150 |
| قطر اسمی | φ 100 | φ 150 |
| نوع نصب | محدب شعاعی نصب شده رابط های موازی | * | * |
| محدب شعاعی نصب شده رابط هشت کاراکتر | | * |
| نوع شستشوی خارج از مرکز | * | * |
| دامنه اندازه گیری | فشار دامنه اندازه گیری kpa | اسمی فشار kpa | فشار دامنه اندازه گیری MPA | اسمی فشار MPA |
| 0 ~ 10 | 60 | 0 ~ 0.16 | 1 |
| 0 ~ 16 | 100 | 0 ~ 0.25 | 1.6 |
| 0 ~ 25 | 160 | 0 ~ 0.4 | 2.5 |
| 0 ~ 40 | 250 | 0 ~ 0.6 | 4 |
| 0 ~ 60 | 400 | 0 ~ 1 | 6 |
| 0 ~ 100 | 600 | 0 ~ 1.6 | 10 |
| | | 0 ~ 2.5 | 10 |
| کلاس دقت | 2.5 |
| موضوعات متناسب | m20 × 1.5 |
| از دمای محیط استفاده کنید | -40 ℃~ 70 ℃ |
| دمای رسانه مورد استفاده | رده 60 ℃ |
| مقاومت در برابر ارتعاش | حرفهای · سخنرانی · 4 |
| امتیاز محفظه | IP65 |
| وزن | تقریباً 1.5 کیلوگرم |
| مواد سیستم ضربه ای | 0cr17ni12mo2 、 SUS316 |
| پوشش و سایر مواد | 1CR18NI9 、 SUS304 |
| استاندارد را اجرا کنید | JB/T 12015-2014 |
| توجه: 1 بشر موضوع مشترک را می توان با توجه به نیاز کاربر سفارشی کرد. $ $ |
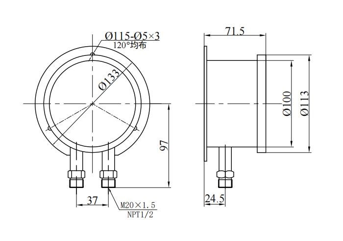
◆ ظاهر و اندازه نصب:
| cybn100 رابط های موازی | cybn150 رابط های موازی |
| cybn150 رابط بازی | cybn150 محور محوری $ $ |
in اصل ساختاری:
این ساز یک ساختار لوله دو بوردون را اتخاذ می کند ، یعنی دو لوله بوردون در موقعیت های متقارن در هر دو طرف براکت "I" نصب شده است. قسمت های فوقانی و پایین براکت "I" به ترتیب انتهای متحرک و انتهای ثابت است و وسط آن توسط یک قطعه بهاری متصل می شود: دو لوله برونون در حالت موازی قرار دارند و به ترتیب با مفاصل ولتاژ بالا و پایین به صورت تجهیزات همراه با مجرای متصل هستند: مکانیسم انتقال دنده به طور مستقیم در انتهای ثابت حرکت می شود و در انتهای BRACK BRACKET وصل می شود و RORACT متصل می شود و ROT WRACKET و Bracket و ROT را به هم متصل می کند و در انتهای Bracket وصل می شود و ROT WRACKET و Bracket متصل می شود و به Ront Bracket وصل می شود و به Ront Bracket متصل می شود و به طور مستقیم با Bracket وصل می شود و به طور مستقیم با استفاده از Bracket متصل می شود و به صورت موقت نصب می شود و در انتهای Bracket قرار می گیرد و در انتهای Bracket وصل می شود و به Ront Bracket متصل می شود و به طور مستقیم با Bracket متصل می شود و به طور مستقیم با استفاده از آن قرار می گیرد. مکانیسم انتقال.
◆ اصل کار: بر اساس عنصر سنجش فشار ، از دو لوله بوردون با همان سفتی استفاده می شود ، بنابراین آنها مجبور می شوند به ترتیب یک نیروی متمرکز را در همان محیط اندازه گیری شده تولید کنند تا به ترتیب بر روی براکت متحرک عمل کنند ، زیرا دو طرف تیغه بهار ، با عملکرد لحظه مساوی تولید نمی کنند ، بنابراین هنوز هم در موقعیت اصلی قرار دارد و در موقعیت اصلی قرار دارد. موقعیت
هنگامی که فشارهای مختلف اعمال می شود (به طور کلی انتهای فشار بالا از انتهای فشار کم بالاتر است) $ $ ، نیروی دو لوله بوردون که بر روی پشتیبانی متحرک عمل می کنند برابر نیست ، به طوری که جابجایی مربوطه به ترتیب ایجاد می شود و مکانیسم انتقال دنده هدایت و تقویت می شود و مقدار فشار دیفرانسیل بین دو بعد از اینکه شاعر از بین می رود نشان داده می شود.
◆ اقدامات احتیاطی:
1. ابزار باید به صورت عمودی در موقعیتی که در همان سطح با نقطه اندازه گیری قرار دارد نصب شود ، در غیر این صورت خطای اضافی ناشی از اختلاف سطح مایع باید در نظر گرفته شود.
2 بشر کانکتور ابزار با " سخنرانی "یا" "آیا پایان ولتاژ بالا است ، و یکی از آنها با" سعادت "یا" جدید "پایان ولتاژ کم است و در حین نصب نمی توان آن را معکوس کرد.
3 بشر هنگامی که ابزار فشار دیفرانسیل را اندازه گیری می کند ، می توان از مقدار فشار دیفرانسیل در داخل استفاده کرد 75 ٪ از حد بالایی دامنه مقیاس و حداکثر مقدار فشار استاتیک سیستم نباید از حداکثر مقدار فشار استاتیک مشخص شده توسط ابزار تجاوز کند.
4. همانطور که در شکل نشان داده شده است 4 ، دریچه تعادل (ایمنی) (دریچه 1 ) باید جلوی درگاه های ورودی فشار زیاد و پایین ساز در حین نصب قرار گیرد و باید در حالت باز باشد و دریچه تعادل پس از دریچه باید بسته شود 2 وت دریچه 3 همه باز شده اند
5 بشر قبل از استفاده ، ابزار باید میزان فرسایش ناشی از محیط اندازه گیری شده را با دقت تأیید کند تا باعث آسیب زودرس خوردگی به لوله بوردون نشود.
6 بشر هنگامی که ساز به طور مرتب نگهداری می شود ، اگر پوشش متر باز شود ، توصیه می شود از ابزارهای ویژه استفاده کنید.
7 بشر هنگامی که ابزار تحت تأثیر تغییرات دما قرار می گیرد و خطای نشانه افزایش می یابد و بر صحت اندازه گیری تأثیر می گذارد ، می توان رئیس پلاگین موجود در این پرونده را قطع کرد تا داخل و خارج از آن ارتباط برقرار شود و فشار هوا متعادل باشد.
◆ اعلامیه سفارش:
هنگام سفارش ابزار ، کاربر باید نشان دهد:
1. نام و مدل ، دامنه فشار دیفرانسیل ، حداکثر فشار استاتیک ، واحد اندازه گیری ، سطح دقت.
2. اندازه موضوع مشترک: معمولی m20 × 1.5 با NPT1/2 (یا مشتری مشخص شده) ؛
3. توجه: سه گروه دریچه به نمایندگی از کاربران قابل تنظیم هستند (دریچه ها 1 ~ 3 در شکل 4 )