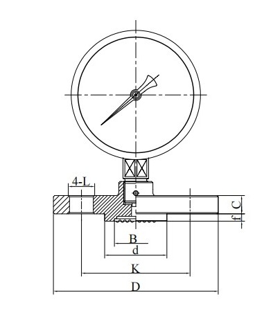
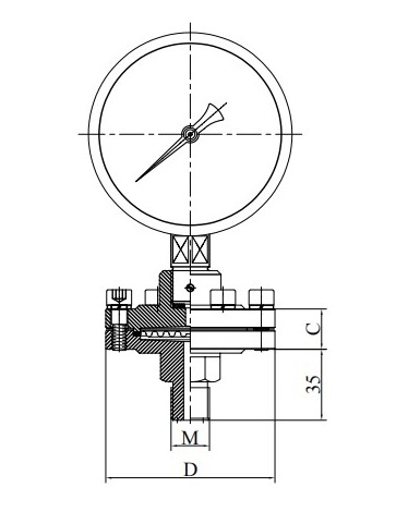
◆ مدل: YTZ100 ، YTZ-150
◆ کاربرد: این نوع ابزار برای اندازه گیری فشار مایعات ، گازها یا بخارات بدون خطر انفجار ، بدون تبلور ، عدم استحکام و تأثیر خورنده بر آلیاژهای مس و مس مناسب است.
ساخته شده از فولاد ضد زنگ ، می توان از آن برای اندازه گیری فشار مایعات ، گازها یا بخارات که ضعیف خورنده هستند ، اما مواد منفجره ، تبلور یا جامد نیست ، استفاده شود.
◆ اگر لازم است یک فشار فشار از نوع ضد شوک ایجاد شود ، می توان آن را با روغن گلیسیرین یا سیلیکون پر کرد. $ $


















