◆ مدل: YJY100 YJY150
◆ استفاده: فشار مطلق به فشار که بالاتر از فشار مطلق صفر با فشار مطلق صفر (خلاء مطلق) به عنوان مرجع باشد ، اشاره دارد. مقدار فشار مطلق را می توان با فرمول زیر بیان کرد:
مقدار فشار مطلق = مقدار خلاء (فشار منفی) مقدار فشار اتمسفر
فشار مطلق فشار عمدتاً برای نظارت یا اندازه گیری فشار مطلق در برخی از تجهیزات خلاء (به عنوان مثال ماشین آلات بسته بندی خلاء ، تجهیزات برای نظارت بر فشار تراکم و فشار بخار مایع و غیره) استفاده می شود.
◆ فشار کار: بار استاتیک حداکثر 3/4 از مقدار حد بالایی اندازه گیری استفاده می شود ، بار مبادله تا 2/3 از مقدار حد بالایی اندازه گیری استفاده می شود و از فشار کوتاه مدت تا مقدار حد بالایی اندازه گیری استفاده می شود. $ $ $ $ $ $ $ $ $ $ $ $ $ $ $ $ $ $
◆ پارامترهای فنی :
| شماره مدل | YJY100 | YJY150 | |
| قطر اسمی | φ 100 | φ 150 | |
| فرم نصب | ⅰ | * | * |
| ⅱ | * | * | |
| ⅳ | * | * | |
| ⅵ | * | * | |
| موضوع اتصال | m20 × 1.5 | ||
| کلاس دقت | 0.4 ; 1.0 ; 1.6 ; 2.5 | ||
| دامنه اندازه گیری ( MPA ) | 0 ~ 0.1 0 ~ 0.16 0 ~ 0.25 0 ~ 0.4 0 ~ 0.6 0 ~ 1 0 ~ 1.6 0 ~ 2.5 0 ~ 4 0 ~ 6 0 ~ 10 | ||
| شرایط محیطی استفاده | دما -40 ℃~ 70 ℃ (کلاس دقت 0.4 ) -50 ℃~ 160 ℃ (کلاس دقت 1.0 ~ 2.5 ) رطوبت نسبی : 80 ٪ | ||
| امتیاز ارتعاش | حرفهای · سخنرانی · 2 ; حرفهای · سخنرانی · 3 | ||
| طبقه حفاظت | IP65 | ||
| استانداردهای اجرا | | ||
| توجه: 1. موضوعات مشترک را می توان مطابق با نیاز کاربر سفارشی کرد. $ $ | |||
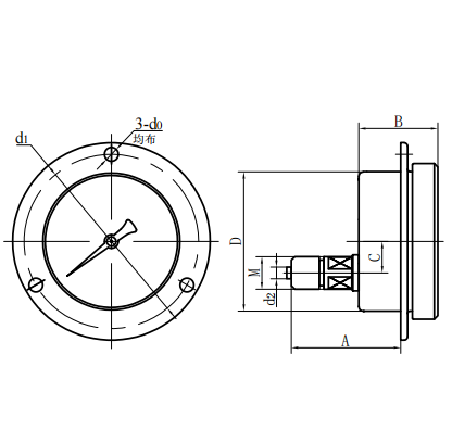
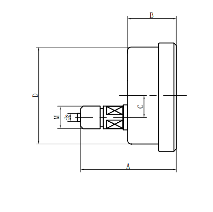
◆ ابعاد خارجی:
|
نوع مستقیم شعاعی (ⅰ) | نوع مستقیم محوری (ⅱ) |
| نوع مستقیم متمرکز محوری (III) | نوع درج محور محوری (IV) $ $ |
| شماره مدل | ابعاد کلی مگنی ) | |||||||
| بوها | شرح | جف | د | D0 | D1 | D2 | مگس | |
| YJY100 -ⅰ | 90 | 48 | 15 | φ 100 | / | / | φ 6 | m20 × $ $ 1.5 |
| YJY100 -ⅱ | 83 | 44 | 34 | φ 100 | / | / | φ 6 | m20 × 1.5 |
| YJY100 -ⅳ | 68 | 44 | 34 | φ 100 | φ 6 | φ 118 | φ 6 | m20 × 1.5 |
| YJY100 -ⅵ | 90 | 48 | 15 | φ 100 | φ 6 | φ 118 | φ 6 | m20 × 1.5 |
| YJY150 -ⅰ | 117 | 51 | 16.5 | φ 150 | / | / | φ 6 | m20 × 1.5 |
| YJY150 -ⅱ | 92 | 52 | 55 | φ 150 | / | / | φ 6 | m20 × 1.5 |
| YJY150 -ⅳ | 69 | 52 | 55 | φ 150 | φ 6 | φ 165 | φ 6 | m20 × 1.5 |
| YJY150 -ⅵ | 117 | 53 | 28 | φ 150 | φ 6 | φ 165 | φ 6 | m20 × 1.5 |
























