◆ مدل: YG60 YG100 YG150
◆ استفاده: تمام قسمت های این سری از سنجها از فولاد ضد زنگ ساخته شده اند و قسمت های اصلی از 1CR18NI9 ، OCR18NI12MO2TI ، SUS316 ، SUS316L و غیره ساخته شده است. جوشکاری هر قسمت توسط یک فرآیند ویژه ساخته می شود. در میان آنها ، سنج فشار درجه حرارت بالا در برابر خوردگی دارای عملکرد عالی درجه حرارت بالا و مقاوم در برابر خوردگی است که برای محیط های خورنده مناسب است ، می تواند رسانه های با درجه حرارت بالا را که کم تحرک ، اما نه ، غیر همزن ، تشخیص نمی دهد. به طور گسترده در نفت ، شیمیایی ، سموم دفع آفات ، لاستیک ، گاز طبیعی و سایر صنایع استفاده می شود. $ $
◆ پارامترهای فنی :
| شماره مدل | YG60 | YG100 | YG150 | ||
| قطر اسمی | φ 60 | φ 100 | φ 150 | ||
| نوع نصب | ⅰ | * | * | * | |
| ⅱ | * | * | * | ||
| ⅲ | * | / | / | ||
| ⅳ | * | * | * | ||
| ⅴ | * | / | / | ||
| ⅵ | * | * | * | ||
| موضوع اتصال | M14 × 1.5 | m20 × 1.5 | |||
| کلاس دقت | 2.5 | 1.6 | |||
| دامنه اندازه گیری ( MPA ) | خالی -0.1 ~ 0 خلاء فشار -0.1 ~ 0.06 -0.1 ~ 0.15 -0.1 ~ 0.3 -0.1 ~ 0.5 -0.1 ~ 0.9 -0.1 ~ 1.5 -0.1 ~ 2.4 فشار 0 ~ 0.1 0 ~ 0.16 0 ~ 0.25 0 ~ 0.4 0 ~ 0.6 0 ~ 1 0 ~ 1.6 0 ~ 2.5 0 ~ 4 0 ~ 6 0 ~ 10 0 ~ 16 0 ~ 25 0 ~ 40 0 ~ 60 0 ~ 100 、 0 ~ 160 、 0 ~ 250 | ||||
| شرایط محیطی استفاده | دما : -40 ℃~ 70 ℃ | ||||
| درجه حرارت | نصب مستقیم رده 150 ℃ | ||||
| دما رده 500 ℃ | |||||
| خطای اثر دما | δ = ± δ δ k δ حرف ) δ— - مقدار مجاز خطای مقدار صفحه نمایش هنگامی که دمای محیط از 5 ℃ 20 ℃ منحرف می شود ، و مقدار مجاز خطای مقدار صفحه نمایش هنگام انحراف دمای محیط از 5 ℃ 5. ٪ δ— - مقدار مطلق خطای ذاتی ابزار. ٪ k - ضریب اثر دما با مقدار 0.04 ٪ در درجه سانتیگراد Δ حرف -temperature از محیط در لوله بوردون ℃ -25∣ | ||||
| امتیاز ارتعاش | حرفهای · سخنرانی · 3 | ||||
| ماده لوله بوردن | OCR18ni12mo2ti ; SUS316 ; SUS316L | ||||
| محفظه ، مواد اتصال | 1cr18ni9ti ; SUS304 | ||||
| طبقه حفاظت | IP65 | ||||
| استانداردهای اجرا | GB/T 1226 | ||||
| توجه: 1. موضوعات مشترک را می توان مطابق با نیاز کاربر سفارشی کرد. $ $ | |||||
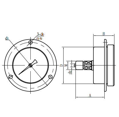
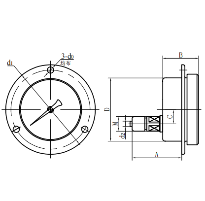
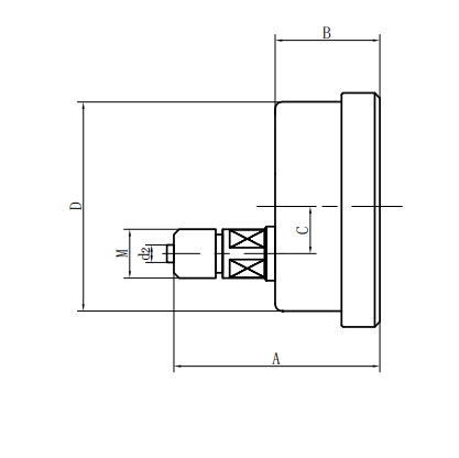
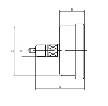
◆ ابعاد خارجی:
| نوع مستقیم شعاعی (ⅰ) | نوع مستقیم محوری (ⅱ) |
| نوع مستقیم متمرکز محوری (III) | نوع درج محور محوری (IV) |
| نوع درج متمرکز محوری (V) | نوع محدب شعاعی (vi) $ $ |
| شماره مدل | ابعاد کلی ( مگنی ) | |||||||
| بوها | شرح | جف | د | D0 | D1 | D2 | مگس | |
| YG60 -ⅰ | 56 | 33 | 11 | φ 60 | / | / | φ 5 | M14 × $ $ 1.5 |
| YG60 -ⅱ | 61 | 32.5 | 18 | φ 60 | / | / | φ 5 | |
| YG60 -ⅲ | 61 | 32.5 | / | φ 60 | / | / | φ 5 | M14 × 1.5 |
| YG60 -ⅳ | 55 | 32.5 | 18 | φ 60 | φ 5 | φ 75 | φ 5 | |
| YG60 -ⅴ | 55 | 32.5 | / | φ 60 | φ 5 | φ 75 | φ 5 | M14 × 1.5 |
| YG60 -ⅵ | 56 | 33 | 11 | φ 60 | φ 5 | φ 75 | φ 5 | M14 × 1.5 |
| YG100 -ⅰ | 90 | 48 | 15 | φ 100 | / | / | φ 6 | m20 × 1.5 |
| YG100 -ⅱ | 83 | 44 | 34 | φ 100 | / | / | φ 6 | m20 × 1.5 |
| YG100 -ⅳ | 68 | 44 | 34 | φ 100 | φ 6 | φ 118 | φ 6 | m20 × 1.5 |
| YG100 -ⅵ | 90 | 48 | 15 | φ 100 | φ 6 | φ 118 | φ 6 | m20 × 1.5 |
| YG150 -ⅰ | 117 | 51 | 16.5 | φ 150 | / | / | φ 6 | m20 × 1.5 |
| YG150 -ⅱ | 92 | 52 | 55 | φ 150 | / | / | φ 6 | m20 × 1.5 |
| YG150 -ⅳ | 69 | 52 | 55 | φ 150 | φ 6 | φ 165 | φ 6 | m20 × 1.5 |
| YG150 -ⅵ | 117 | 53 | 28 | φ 150 | φ 6 | φ 165 | φ 6 | m20 × 1.5 |
















